您当前的位置:首页 > T/EJCCCSE 369-2025 恒压恒中心多功能型自定心中心架 > 下载地址1
T/EJCCCSE 369-2025 恒压恒中心多功能型自定心中心架
- 名 称:T/EJCCCSE 369-2025 恒压恒中心多功能型自定心中心架 - 下载地址1
- 类 别:团体标准规范
- 下载地址:[下载地址1]
- 提 取 码:
- 浏览次数:3
发表评论
加入收藏夹
错误报告
目录| 新闻评论(共有 0 条评论) |
资料介绍
恒压恒中心多功能型自定心中心架标准总结
1. 标准概述
T/EJCCCSE 3692025《恒压恒中心多功能型自定心中心架》团体标准由宁波市精恒凯翔机械有限公司提出,中国商业股份制企业经济联合会归口。该标准规定了恒压恒中心多功能型自定心中心架的型号尺寸、技术参数、基本要求、技术要求、试验方法、检验规则等内容。
2. 适用范围
该标准适用于以下类型的自定心中心架的生产和检验:
- 车(铣)削中心架
- 磨削中心架
- 跟刀中心架
- 柔性中心架
- 曲轴专用中心架全系列
3. 主要术语定义
标准中明确定义了以下关键术语:
- 恒压恒中心多功能型自定心中心架:能在稳定液压下工作,保持中心位置不变,三个支臂按速度瞬心法运动保持同心圆不变的中心架。
- 车(铣)削中心架:用于加工细长轴类、螺旋轴类。
- 磨削中心架:用于细长轴类、螺旋轴类、台阶轴类的外圆和螺纹磨削。
- 跟刀中心架:能跟随刀具/砂轮移动的中心架。
- 柔性中心架:能适应偏摆度大工件的柔动支撑中心架。
- 曲轴专用中心架:适用于曲轴和凸轮轴车削/磨削的特殊中心架。
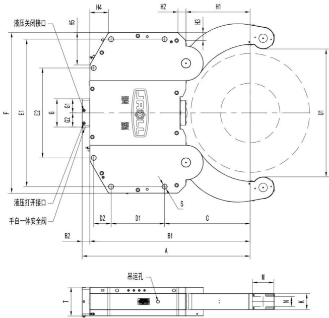
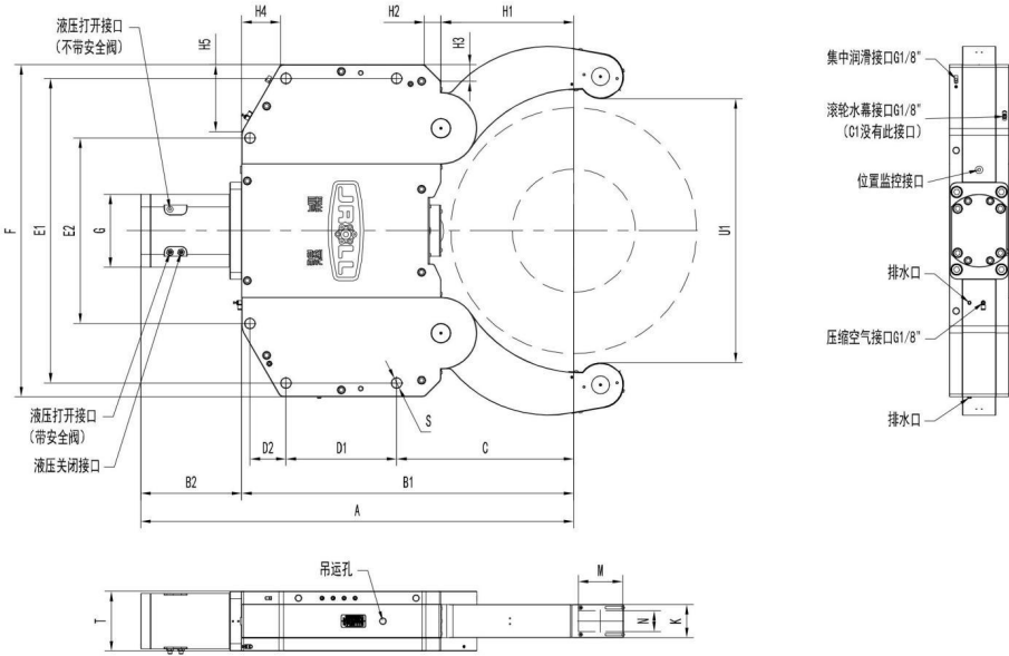
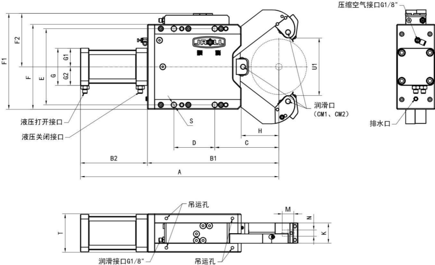
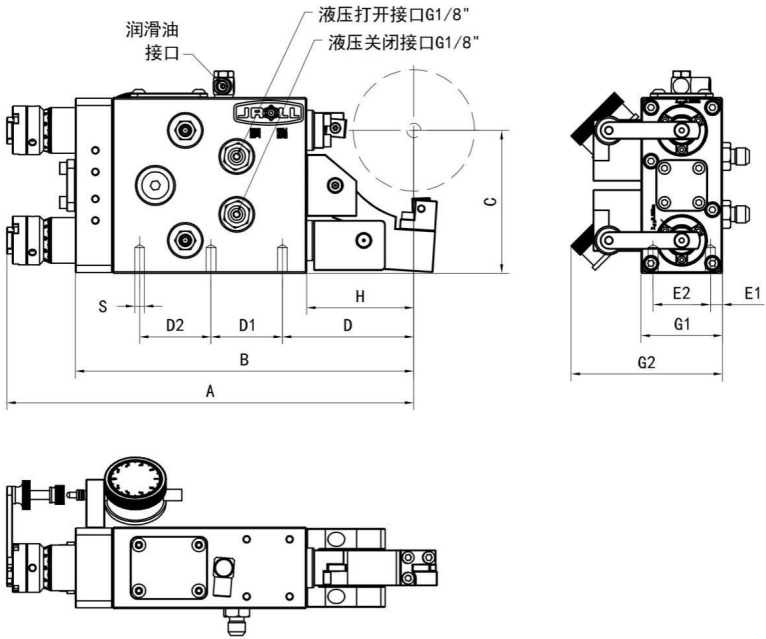
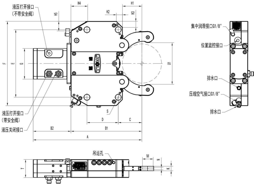
4. 型号尺寸与技术参数
标准详细规定了各类中心架的尺寸参数和技术参数:
4.1 车(铣)削中心架
4.1.1 紧凑型中心架

- 12种型号(CXD1-CX12)
- 夹持范围:5-72mm至445-890mm
- 最大夹持力:200daN至6140daN
- 定位精度:0.02-0.2mm
- 重复定位精度:0.005-0.04mm
4.1.2 承重型中心架

- 12种型号(C1-C12)
- 夹持范围:5-72mm至445-890mm
- 最大夹持力:200daN至6140daN
- 定位精度:0.02-0.2mm
4.2 磨削中心架
4.2.1 M1型(3-18mm)

- 定位精度:0.005mm
- 工作压力:0.5/2MPa
4.2.2 M2型(10-60mm)

- 定位精度:0.01mm
- 工作压力:0.5/2.5MPa
4.2.3 M3型(20-100mm)

- 定位精度:0.03mm
- 工作压力:0.5/3MPa
4.2.4 M4型(40-140mm)

- 定位精度:0.03mm
- 工作压力:0.5/3.5MPa
4.3 跟刀中心架
4.3.1 CM-1车削型

- 3种型号(CM1-1至CM3-1)
- 夹持范围:8-65mm至20-170mm
- 定位精度:0.02-0.04mm
4.3.2 CM-2磨削型

- 3种型号(CM1-2至CM3-2)
- 夹持范围:8-65mm至20-170mm
4.4 柔性中心架
4.4.1 RC型车削型

- 3种型号(RC2至RC6)
- 夹持范围:14-70mm至105-255mm
- 最大线速度:730-930m/min
4.4.2 RM1型磨削型

- 夹持范围:10-85mm
- 定位精度:0.04mm
4.4.3 RM3型磨削型

- 夹持范围:50-270mm
- 定位精度:0.05mm
4.5 曲轴专用中心架

- 夹持范围:10-128mm
- 最大夹持力:460daN
- 定位精度:0.04mm
5. 基本要求
- 设计与制造:按批准图样和技术文件进行,结构合理、性能可靠
- 材料选用:
- 主要零部件符合GB/T 699要求
- 精调机构螺杆符合GB/T 1216
- 磨削型支撑爪采用耐磨材料(YG8/PVD/PTFE)
- 热切割工艺符合JB/T 10045
6. 技术要求
-
外观要求:
- 表面清洁无损伤
- 无明显气孔、砂眼等缺陷
- 涂层牢固平整
- 无尖棱、锐角等危险缺陷
- 结合面边缘整齐
-
几何精度:符合JB/T 3044普通精密级
-
表面处理:
- 运动部件纳米涂层处理
- 维氏硬度HV 2000±200
- 厚度2-4μm
- 粗糙度Ra≤0.1
-
装配质量:
- 符合JB/T 9874
- 连接牢固,运动灵活
- 清洁度符合JB/T 9877
- 通道畅通
-
精度要求:
- 各类中心架定位精度0.005-0.2mm
- 重复定位精度0.002-0.04mm
-
夹持力要求:
- 各类中心架最大夹持力200-6140daN
7. 试验方法
- 外观:目测检查
- 几何精度:按JB/T 3044
- 表面处理:
- 纳米硬度计测硬度
- 球磨仪和显微镜测厚度
- 粗度仪测粗糙度
- 装配质量:实际操作检验
- 定位精度:按GB/T 16462.4
- 夹持力:标准工况下使用测力仪
8. 检验规则
- 检验分类:出厂检验和型式检验
- 出厂检验:
- 逐台检验
- 项目包括外观、几何精度、表面处理、装配质量
- 型式检验:
- 每年一次或特殊情况
- 包括全部检验项目
- 抽样复检机制
9. 标志、包装、运输和贮存
-
标志:
- 铭牌符合GB/T 13306
- 包含制造单位、型号、出厂编号等
- 包装标志按GB/T 191
-
包装:
- 符合JB/T 3207
- 防锈处理,专用木箱
- 包含合格证、说明书等文件
-
运输:避免冲击、日晒、雨淋等
-
贮存:通风干燥仓库,远离有害物质
相关推荐
- T∕CPMA 016-2020 数字化预防接种门诊基本功能标准
- T∕CFLP 0027-2020 国有企业采购管理规范
- T/CIECCPA 055-2023 燃煤发电产品碳足迹量化与评价方法
- T/CSRME 012-2021 城市地下空间品质评价标准
- T∕ZZB 2255-2021 AMT重型商用车离合器总成
- T/CCUA 016-2021 超级计算数据中心设计要求
- T/CSAE 263-2022 电动汽车驱动电机系统控制器 故障注入测试规范
- T/DZJN 84-2022 饮用水处理装置用隔膜增压泵
- T∕CSAE 112-2019 乘用车空气动力学仿真技术规范
- DB23∕T 2700-2020 气象灾害评估 暴雨
