您当前的位置:首页 > T/DZJN 409-2025 中高压电机变频切换工频控制系统及控制方法 > 下载地址1
T/DZJN 409-2025 中高压电机变频切换工频控制系统及控制方法
- 名 称:T/DZJN 409-2025 中高压电机变频切换工频控制系统及控制方法 - 下载地址1
- 类 别:团体标准规范
- 下载地址:[下载地址1]
- 提 取 码:
- 浏览次数:3
发表评论
加入收藏夹
错误报告
目录| 新闻评论(共有 0 条评论) |
资料介绍
T/DZJN 409-2025《中高压电机变频切换工频控制系统及控制方法》主要内容总结
1. 适用范围与背景
本文件规定了中高压变频器驱动中高压电机从变频模式无扰切换到工频模式的技术要求、控制方法、验收标准等。适用于额定输入电压1kV~35kV、额定容量250kVA以上的中高压变频器系统,旨在确保切换过程的平稳性、安全性和可靠性。
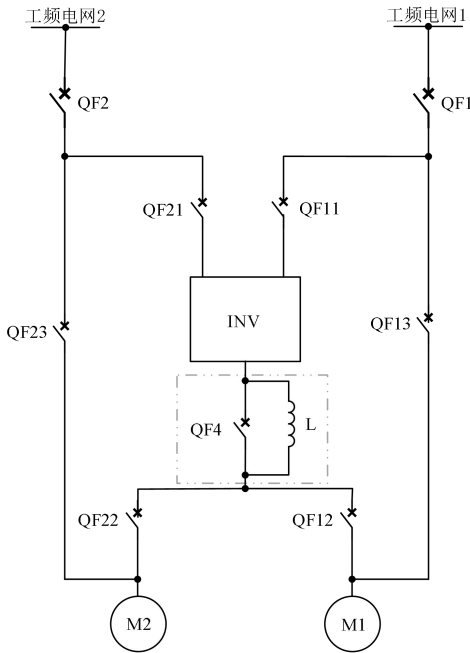
2. 系统拓扑结构
标准提供了两种典型系统拓扑配置:


主要部件包括:
- 高压开关部件(QF1/QF2)
- 切换部件(QFx1/QFx2/QFx3)
- 选配的环流抑制部件(QF4/L)
3. 关键技术要求
3.1 电气安全要求
- 严格的开关联锁机制:包括进线断路器互锁、工变频断路器条件互锁
- 环流抑制电抗器的选型与散热要求
- 冲击电流影响因素分析(包含5个关键公式)
3.2 切换条件
- 电网参数要求:电压波动≤±5%,频率波动≤±1%
- 工艺信号验证要求
- 保护整定值确认
- 相序一致性检查
4. 切换控制流程
4.1 带电抗器的切换流程

关键点:电压幅值、相位、角度三同步后合闸
4.2 不带电抗器的切换流程

关键点:相位角趋近0时合闸并快速封波
4.3 电励磁同步机切换流程

特殊要求:励磁柜切换时序控制
5. 核心技术点
- 矢量控制:实现电机磁场与转矩解耦控制
- 磁通与速度环控制:通过PID闭环实现精确调速
- 电流调节器:分解励磁与转矩分量
- 锁相环控制:提供磁通矢量参考
- 转矩限幅:限制最大输出转矩
- 转速追踪启动:实现飞车启动
6. 验收与安全
- 验收标准:电流波动≤1.5倍额定,持续时间≤5周期
- 安全措施:包括人员防护、操作规范、应急处理
- 维护要求:定期检查、资质要求、日志记录
7. 异常处理
- 紧急停止机制
- 故障分析与修复流程
8. 规范性引用
包含12项国内外标准,涵盖电气安全、EMC、谐波控制等方面。
该标准系统性地规定了中高压电机变频切换工频的全过程技术要求,特别强调同步精度(电压幅值、相位、频率三同步)和安全联锁机制,为工业应用提供了完整的技术规范。
相关推荐
- T/ZSA 148-2023 产品碳足迹评价种类规则 风力发电机组
- T/JSQA 186-2024 产品碳足迹量化方法 输电和配电设备
- T/DZJN 84-2022 饮用水处理装置用隔膜增压泵
- T/GXAS 550-2023 工业技术改造固定资产投资项目节能评审规范
- T/GWIA 001-2022 定制衣柜人因工效学要求
- T/CSRME 018-2021 城市地下空间施工安全自动监控系统技术指南
- T∕CSAE 112-2019 乘用车空气动力学仿真技术规范
- T/CNCIA 02012-2022 地坪工程施工及验收规范 通用技术条件
- T/NAHIEM 101-2023 急诊科建设与设备配置标准
- T/ZZB 3150-2023 5G基站信号控制核心器件(环行器、隔离器)用钐钴永磁体
